DIY Info
- The ZF8HP45 gearbox can be sourced from any E-series or from any F-series (N52/N20/N55 engines only) with the condition of using a mechatronics unit from E-series
F10 N52 8HP45
F30 N20 8HP45
F15 N55 8HP45X XDrive
E60 N52 6HP21
More identification information is to come soon. - The 8HP transmission requires EWS4 for Immobilizer Serial Number (ISN) compatibility. Hopefully, the BMW E60 LCI has CAS3 with EWS4 architecture.
- The 8HP transmission requires DSC8 .
BMW E60 LCI (starting 09/2005) equipped with 6 cylinders engines has DSC8+ module with (47 pins and the 38 pins version in some models)
(BMW E65 has DSC 5.4).
Unlike the E9x/E8x/E7x platforms which use a junction box JBE, in the E60 LCI platform the gateway to the PT-CAN is the Body gateway Module (KGM).
- N52 DME with MSV70 is not compliant. You need to have N52 DME with MSV80, Which BMW E60 LCI has
- The 6HP21 and 8HP45 transmissions have the same overall length, making them compatible in terms of chassis fitment.
Some 8HP variants require an additional hole on their engine mating surface, to be drilled or the top existing one elongated.
The rear output flange and mounting points are identical between the 6HP21 and 8HP45 (96mm). However, in some variants ( 8HP45 N55 - 105mm), the 96mm output flange from a 6HP21 or a 8HP45 must be fitted to the swapped 8HP, in order to use the same front driveshaft.
The flange collar nut on both 6hp and 8hp is 34mm. Use a deep 34mm 12 point socket. Tightening torque is 60nm.
The rear mount is an easy adaptation (Reusing the E60 6HP21 crossmember), and there are several OE or aftermarket crossmembers that might bolt in.
- The cooler pipes ports are of different sizes (11.6mm, 13.6mm, 17mm for 6hp21) vs (18.6mm for 8hp45), requiring modification (adapter)
Below is a picture of 6HP21 cooling ports:
Mechatronic Unit

Mechatronic unit Bosch TCU part is either 8HP45HIS Bosch 0260550075 or 8HP45 Bosch 0260550051

- The Mechatronic Unit (TCU) (any of the listed BMW part numbers) must be fetched from one of the vehicles below:
- 2434 7 631 714
- 2434 8 612 857
- 2434 8 687 812
- 2434 5 A13 157
- 2434 5 A13 158
- 2434 7 647 850
- 2434 5 A13 159
- 2434 5 A13 160


Torque Converter
- The torque converter with the specified stall speed for N52N (2440 7 544 944 or 2440 8 612 865) must be sourced from one of the vehicles below:

Using a TC from any N55 vehicle (8HP) in case of a boosted/charged N52 is recommended
Respecting the torque specifications for mating the transmission to the engine, is critical
E-Shifter
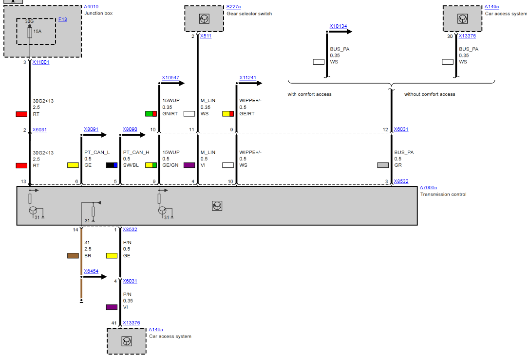
- The E60 LCI or E70 E-Shifter with 6-pin connector, is fully compatible and no modification is required.
- Otherwise, the DCT (6131 9 213 647) or 8HP shifter with 8-pin connector (not the 10pin 61139132571).
In this case, rewiring the existing 6 pins connector pins to the new 8 pins connector is necessary:
- 8 pins Connector: 6113 6 954 526
- 6 MQS pins 6113 6 931 880 or 6 already crimped MQS pins 6113 0 056 962)
- 6 color-coded automotive wires (3 meters each)
- 6 pins male socket connector (6113 6 913 635) and 6 MQS male pins 6113 0 005 198 or 6113 0 070 562
- Crimper tool eventually: 8330 0 496 850

EGS Connector Re-wiring
For rewiring, creating an adapter is the best solution, by using the OE female connector and a custom male socket.

8HP ISN Reset
Once the rewiring and connection to the 8HP is done, the EGS TCU must have its ISN reset
Update the 8HP45 TCU Firmware
Using an updated Dcan cable along with WinKFP, ISTA-P Expert mode or BTT TQ, with one of the ZUSB firmwares below
- X1 E84 sDrive 20i 7642191
- X1 E84 sDrive 20i 7642189
- X1 E84 sDrive 28i 7642197
- X1 E84 sDrive 28i 8626058
- X1 E84 sDrive 16i 8626054
- X1 E84 sDrive 18i 8626056
- Z4 E89 sDrive 18i 8611953
- Z4 E89 sDrive 28i 8611957
- Z4 E89 sDrive 28i 8611955
- X5 E70 xDrive N55 8646496, 8646502, 8646500, 8646494, 8646498, 8646504, 8646492, 8646490 (For a boosted N52)
Sport Button
If the car is not equipped with Sport E-shifter, the user can still optionally retrofit the M5 (61317834518 / 51168045434) or aftermarket 4-wires sport button to the center console (SZM.)
- SZM Pin
9
to switch pin2
is ground (Brown/Yellow) - SZM Pin
7
to switch pin3
is signal (Yellow) - SZM Pin
27
to switch pin5
goes to led light 2 power wire (E60 M5 only) (Blue/Yellow) - SZM Pin
8
to switch pin1
goes to led light 1 power wire (Black/Yellow) - Switch Pin
4
goes to 12Volts power wire (Gray/Red) - Terminal 58G

CAS Coding
Beforehand, plug a scanner like ISTA+, DeepOBD or Protools in order to make sure the EGS is recognized. Assert you can display clutch adaptations for example.
- Deactivate:
AUSWERTUNG_P_HW
(Evaluate transmission Park/neutral signal from EGS) - Deactivate:
ABZUGSPERRE_PLOCK_C6
(Engine Start only with EGS in Neutral/Park). Normally this option is already inactive for the E60 LCI - Change:
GETRIEBE_GAENGE
from6_gaenge
to8_gaenge
(From 6 speed to 8 speed) - In case of a CAS error code related to PLOCK, a ground wire (brown) must be added to CAS ECU pin 11.
EGS Coding
EGS must be coded to factory-default.
- N/A
N/A
KOMBI (Instrument cluster) Coding
- Change:
DZM_DISP_RPM
wert_01 to wert_02 (Tachometer RPM Signal source) - Activate:
FDC_VERBAUT
(Display Sport Mode) - If sport button is present - Activate:
FDC_ID_MONITOR
(Monitor Sport Mode) - If sport button is present
The variables above are already set in case of S2TBA VO option
Rear differential final drive
Considering the 8HP gear ratios, it is optional but recommended to change the differential to a lower ratio.
Knowing the F10 N52 differential ratio is 3.38 (wheels 245/45R18) and F30 320i 3.15 (wheels 225/45/R18)
You can calculate the correct Differential gear ratio in here
The sweet spot for a E60 LCI N52 vehicle is a ratio of 3.15, but it was never produced, thus it is recommended to fit one of the following:
- E60 520d 3.23
3310 7 560591
- E60 540i 3.08
3310 7 560042


Rear Vibration damper
For 8HP45 equipped vehicles (Especially 1st generation), BMW added some vibration dampers.
In the context of this conversion, the user might optionally look at different vibration dampers and install the one with the corresponding dominant vibration
Go for this step only if drivetrain vibrations are felt after the swap (Especially when driving at 5th gear).
- F10 35 Hz Vibration damper (Installed on the rear anti-roll sway bar)
3350 6 852 835
- F30 40 Hz Vibration damper (Installed on the rear differential final drive)
3317 6 850 212
- G30 42 Hz Vibration damper (Installed on the rear differential final drive or rear sway bar)
3350 6 861 489
Restrictions & limitations
-
8th gear not displayed in E60 instrument cluster
The 8th gear not displayed in the E6x LCI instrument cluster (Kombi60), even with the latest firmware. only 1 to 7, as its firmware does not understand 8th gear CAN data frame. Surprisingly, the E70 cluster (04.2009+ 6210.9.236.810) is able to display the 8th gear.
Workaround 1: would be to fit a cluster from a petrol 8hp powered E70. The housing and mountings are the same.
The Cluster mileage and VIN must be matched to the car, then match-coded to the car (replicate the coding of the E60 cluster _VO, Variables_ onto the E70 cluster) and deactivate the following variables:
Deactivate:EMF_ID_MONITOR
(Monitor Electronic parking identification) Deactivate:EMF_ALIVE_ZAEHLER
(Electronic parking alive counter)The drawback of this workaround is that the E70 cluster does not read some data like coolant level, Washer fluid level, parking brake switch state and fuel level as the wiring is different.
In The E60 the above data goes directly to the cluster while in the E70, it goes to the junction box and then gets processed back to the cluster via CAN protocol
Notice the fuel tank input for the E70 is coded as CAN-BUS while for the E60 it is coded as ANALOG:
TODO: figure out how to simulate the E70 JBE module fuel level signal conversion or whether only proper coding could solve it
Option 2: CANChecked and AK Motion data displays claim to display transmission gear from Can BUS
-
XHP Flashtool Maps not supported
XHP Flashtool OTS maps cannot be flashed to the retrofitted 8HP out of the box.
In order to do so, a secondary CAS3 ECU cloned to the original vehicle CAS and edited with the VIN of a 8HP45 equipped E70 N55 is needed. A custom tune from XAutomotive may be possible in the future though.If XHP path is not feasible, requesting OTS Maps from StageX company is another option
If StageX/WinOLS combo pathh is not feasible, requesting a Stage1/2 from Stagex-performance company may be a another option
-
Cruise control not supported in 8th gear
Cruise control gets deactivated automatically and errors logged, once the transmission shifts to the 8th gear. Again, it is firmware related. DME MSV80 interfacing with DSC ECU lacks the implementation/coding to understand the 8th gear data frame format. (Unlike MSV90 and MEVD1724/6)
Commercial solution: NDH.NU
Commercial solution: Max ECU
Commercial solution: CanFormance CanTCU
- CanFormance Plug and play wire harness
- CanFormance 8HP connector kit
- CanFormance 8HP CanTCU bare wire harness
- CanFormance 6hp to 8hp oil cooler line adapter
- CanFormance CanTCU
Commercial solution: TurboLamik TCU
Commercial solution: Labcar
General Info
- ZF8HP Oil Service
- ZF8HP Adaptations
- ZF8HP45 issues
- ZF8HP Failure points
- ZF8HP45 ZF Repair Manual
- ZF8HP70 ZF Repair Manual
- ZF transmission catalog
Downloads
Back Top